Компрессор Maneurop MTZ18JA4BVE

Производитель Danfoss

49 669 рублей

Артикул: MTZ18-4VI
Наличие товара: В наличии
Оплата: Наличные, р\счет, QR-код

Холодильный компрессор Maneurop MTZ18-4VI

Внимание! Наличие и цены на товары могут отличаться от опубликованных. Просьба актуальную информацию уточнять у менеджеров компании. Мы делаем все возможное для отображения реальных цен и остатков.

Количество:

Характеристики компрессора Maneurop MTZ18JA4BVE


Код компрессора: ​MTZ18-4VI
Тип: герметичный поршневой, среднетемпературный
Холодопроизводительность: 1.9 кВт
Питание: 380В, 50Гц
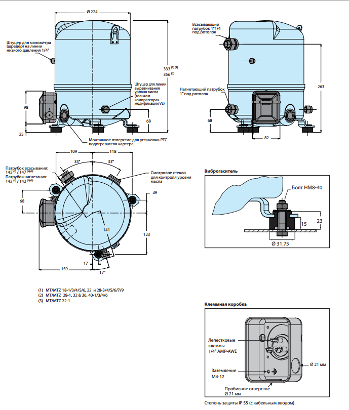
Габариты: 356х264х224 мм
Вес: 22 кг
Объем масла: 1.0 л
Тип хладагента: R404A, R507A, R134a, R407C

Технические характеристики компрессора 
MTZ18-4VI

 
 

СХЕМА КОМПРЕССОРА MANEUROP MTZ18JA4BVE


Характеристики MTZ18JA4BVE