Компрессор Maneurop MTZ22JC4AVE (MTZ22-4VI)

Производитель Danfoss

51 216 рублей

Артикул: MTZ22-4VI
Наличие товара: В наличии
Оплата: Наличные, р\счет, QR-код

Холодильный компрессор Maneurop MTZ22-4VI

Внимание! Наличие и цены на товары могут отличаться от опубликованных. Просьба актуальную информацию уточнять у менеджеров компании. Мы делаем все возможное для отображения реальных цен и остатков.

Количество:

Характеристики компрессора Maneurop MTZ22JC4AVE


Код компрессора: ​MTZ22-4VI
Тип: герметичный поршневой, среднетемпературный
Холодопроизводительность: 2.62 кВт
Питание: 380В, 50Гц
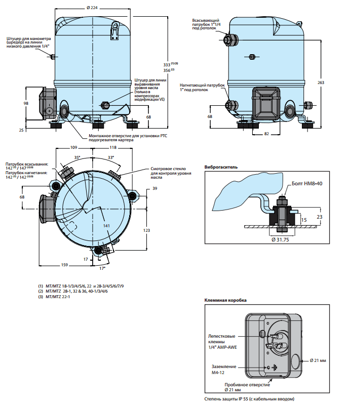
Габариты: 356х264х224 мм
Вес: 21 кг
Объем масла: 1.0 л
Тип халадгента: R404A, R507A, R134a, R407C


 

Схема компрессора Maneurop MTZ22JC4AVE

Maneurop MTZ22JC4AVE характеристики